节约能源一直是建筑节能追求的目标。太阳能资源丰富,转换直接,能耗损失小,转换过程几乎无废气、废料、废水污染,无噪声,不污染环境。地源热泵作为一项旨在解决建筑冷热源问题的新技术,正日渐受到人们的重视。那地源热泵和太阳能的结合能够擦出怎样的火花?让我们用实际案例分析一下。
太阳能在非采暖季会出现产能过剩的问题,利用太阳能和地源热泵结合,将多余的热量通过地源热泵预埋管蓄存到地下,冬季采暖时提取出来,这样既解决了太阳能过热问题,又提高了地源热泵的运行效率,一举两得;加之运行费用比较低,真正做到了一次投资,实现采暖、制冷、热水三联供。
格瑞德集团承揽的涿州城区地表水厂的太阳能与地源热泵结合应用项目充分体现太阳能与地源热泵结合研究取得了实质性的突破。
格瑞德太阳能与地源热泵结合系统应用原理:
一、系统图

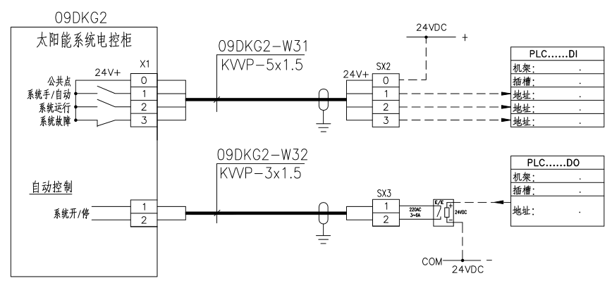
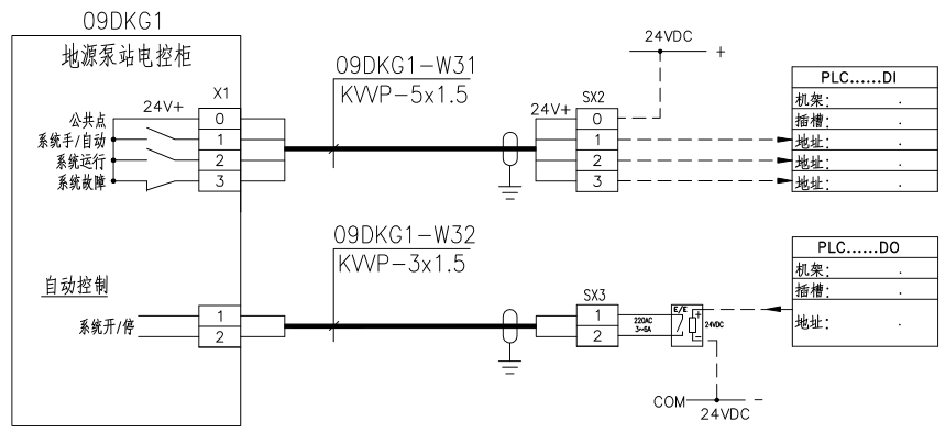
二、太阳能系统及地源热泵站接线图


涿州城区地表水厂位于保定市涿州市,是南水北调的配套项目,建设日用水量10万立方米,总投资2.1亿元,该厂区热源采用地源热泵+太阳能蓄热调峰的系统形式。
夏季提供冷媒温度为7~12℃,冬季热媒供回水温度为45/40℃;水厂总冷负荷130KW,热负荷310KW,由地源热泵系统供应热量250KW,剩余60KW由太阳能系统进行调峰,过渡季节由太阳能进行蓄能。太阳能集热器安装于地源热泵机房屋面,总计安装平板太阳能集热器200平米,太阳能系统功率6.5KW。
项目照片:

涿州城区地表水厂

地源热泵打表施工

软化水系统

太阳能系统过热保护

太阳能系统

地源热泵机组
为顺应市场发展,响应国家大气污染治理工作,格瑞德集团陆续推出太阳能系列产品,其中主要有太阳能集中热水系统、集中集热分户换热热水系统、阳台壁挂式热水系统、太阳能地源热泵补热系统、太阳能双源热泵系统、太阳能与空气源热泵结合系统、煤改太阳能采暖系统等类型,并在山东、河北、山西、天津等省市通过了太阳能节能产品推广认证或备案工作。太阳能及互补能源系统主要应用于学校、酒店、宾馆、医院、工厂、部队、工业用水、游泳池、企事业单位、房地产项目、农村家庭等,取得了良好的经济效益和社会效益。